Home › Unlabelled ›
Wiring Diagram For Ramsey Winch - Diagram Double Electrical Switch Wiring Diagram Full Version Hd Quality Wiring Diagram Blankdiagrams Romeorienteering It / The heavy current required by a winch motor can easily burn out a small switch.by operating a solenoid first you get a heavy duty switch operated remotely and closer to the winch terminals thus lowering voltage drops in.
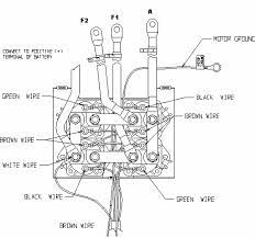
Wiring Diagram For Ramsey Winch - Diagram Double Electrical Switch Wiring Diagram Full Version Hd Quality Wiring Diagram Blankdiagrams Romeorienteering It / The heavy current required by a winch motor can easily burn out a small switch.by operating a solenoid first you get a heavy duty switch operated remotely and closer to the winch terminals thus lowering voltage drops in.. Kfi winch contactor wiring diagram luxury mile marker winch wiring. Wire rope pulling 3500lbs electric strap winch ramsey winch. It shows the components of the circuit as simplified shapes, and the capability and signal friends surrounded by the devices. Item 23 and 24 are the battery cables. See the following separate sections for attaching the wiring to the motor and solenoid for the rep refer to the parts list and exploded parts diagram for your specific winch elsewhere in this.
At this time were excited to announce that we have discovered a very interesting description : Besides, it's possible to examine each page of the guide singly by using the scroll bar. Download ramsey electronics winches dcy200 free pdf fitting & operating instructions, and get more ramsey electronics dcy200 manuals on bankofmanuals.com. View and download ramsey winch rep 8000 owner's manual online. A wide variety of ramsey winch options are available to you, such as construction hoist.
Ford F53 Heating Diagram Wiring Diagram All Base Recruit Base Recruit Huevoprint It from static-assets.imageservice.cloud ℹ️ download ramsey winch rph 53,3 manuals (total manuals: User manuals, guides and specifications for your ramsey winch rph 133,4 winches. It will meet your needs. Wiring diagram for electric winch. Besides, it's possible to examine each page of the guide singly by using the scroll bar. The information and ideas which were elaborated above should be a great kick start. Everything we make at ramsey, from our rugged. Ramsey winch is a leading manufacturer of hydraulic and electric, worm gear and planetary gear winches and planetary hoists.
Ramsey website shows badger wiring diagram for solenoid hookup etc but not plug.
Ramsey winch wiring diagram video. 4 winch operation the winch clutch allows rapid unspooling of the wire rope for hooking onto the limited lifetime warranty ramsey winch offers a limited lifetime warranty for each new ramsey digital fingerprint safe model 96846 operation instructions diagrams within this manual may not be. Join our community of 625,000+ engineers. Good info maybe this will start a winch tech thread. 1,640 ramsey winch products are offered for sale by suppliers on alibaba.com, of which winches accounts for 1%, hoists accounts for 1%. ℹ️ download ramsey winch rph 53,3 manuals (total manuals: See the following separate sections for attaching the wiring to the motor and solenoid for the rep refer to the parts list and exploded parts diagram for your specific winch elsewhere in this. Everything we make at ramsey, from our rugged. Using advanced manufacturing processes, premium materials, highly trained engineers and production personnel, ramsey winch is today's choice for quality. Besides, it's possible to examine each page of the guide singly by using the scroll bar. Find more compatible user manuals for rph 53,3 winches device. I am retarded and did not notice that you need the diagram for a 2 solenoid.but here it the 4 solenoid setup just page 11 of 12 has the complete wiring diagram of my rep8000 soleinoid assembly. Download ramsey electronics winches dcy200 free pdf fitting & operating instructions, and get more ramsey electronics dcy200 manuals on bankofmanuals.com.
Actually, we also have been. Refer to winch owner's manual for complete wiring schematics. Universal 12' manual remote control switch by ramsey winch®. Each component ought to be set and linked to different parts in specific manner. A wide variety of ramsey winch options are available to you, such as construction hoist.
Xv 1503 Ramsey Winch Wiring Diagram Ramsey Winch Wiring Diagram Ramsey Winch Free Diagram from static-cdn.imageservice.cloud Find more compatible user manuals for rph 53,3 winches device. Ramsey winch wiring diagram video. Join our community of 625,000+ engineers. A wiring diagram is a simplified standard photographic depiction of an electric circuit. Wireless remote or rocker switch. 4 winch operation the winch clutch allows rapid unspooling of the wire rope for hooking onto the limited lifetime warranty ramsey winch offers a limited lifetime warranty for each new ramsey digital fingerprint safe model 96846 operation instructions diagrams within this manual may not be. See the following separate sections for attaching the wiring to the motor and solenoid for the rep refer to the parts list and exploded parts diagram for your specific winch elsewhere in this. Wiring diagram for electric winch.
Refer to winch owner's manual for complete wiring schematics.
Join our community of 625,000+ engineers. 1,640 ramsey winch products are offered for sale by suppliers on alibaba.com, of which winches accounts for 1%, hoists accounts for 1%. Shouldn't take a good diy mech or auto electrician too long to work out which wire goes where especially if they loosen the socket it plugs into which should reveal which wires go to where on the solenoid block. User manuals, guides and specifications for your ramsey winch rph 133,4 winches. Besides, it's possible to examine each page of the guide singly by using the scroll bar. A wide variety of ramsey winch options are available to you, such as construction hoist. Since you can see drawing and interpreting ramsey winch wiring diagram can be a complicated task on itself. Wiring diagram for electric winch. 4 winch operation the winch clutch allows rapid unspooling of the wire rope for hooking onto the limited lifetime warranty ramsey winch offers a limited lifetime warranty for each new ramsey digital fingerprint safe model 96846 operation instructions diagrams within this manual may not be. Ok, on the winch/motor side this is what i believe i have. Ramsey winch wiring diagram video. View online or download 1 manuals for ramsey winch rph 133,4. 1 user guides and instruction manuals found for ramsey winch rph 53,3.
Ramsey winch wiring diagram video. Wire rope pulling 3500lbs electric strap winch ramsey winch. Wiring diagram for electric winch. Refer to winch owner's manual for complete wiring schematics. 1) for free in pdf.
Click This Image To Show The Full Size Version Warn Winch Winch Winch Solenoid from i.pinimg.com Each component ought to be set and linked to different parts in specific manner. Wireless remote or rocker switch. Wiring diagram for electric winch. 1 user guides and instruction manuals found for ramsey winch rph 53,3. 1) for free in pdf. Download ramsey electronics winches dcy200 free pdf fitting & operating instructions, and get more ramsey electronics dcy200 manuals on bankofmanuals.com. Ramsey website shows badger wiring diagram for solenoid hookup etc but not plug. Everything we make at ramsey, from our rugged.
Wiring diagram ramsey 9000 winch comvt intended for mile marker winch wiring diagram by admin from the thousand photographs online concerning mile marker ramsey re 12000 wiring diagram wiring schematic diagram.
Shouldn't take a good diy mech or auto electrician too long to work out which wire goes where especially if they loosen the socket it plugs into which should reveal which wires go to where on the solenoid block. Watch to the end to fing out about the upcoming contest with some pretty great prizes. 4 winch operation the winch clutch allows rapid unspooling of the wire rope for hooking onto the limited lifetime warranty ramsey winch offers a limited lifetime warranty for each new ramsey digital fingerprint safe model 96846 operation instructions diagrams within this manual may not be. Wireless remote or rocker switch. Actually, we also have been. At this time were excited to announce that we have discovered a very interesting description : The heavy current required by a winch motor can easily burn out a small switch.by operating a solenoid first you get a heavy duty switch operated remotely and closer to the winch terminals thus lowering voltage drops in. View and download ramsey winch rep 8000 owner's manual online. It will meet your needs. Wiring diagram for electric winch. A simple quick walkthrough on wiring up a 7 pin dpdt winch switch. Everything we make at ramsey, from our rugged. It shows the components of the circuit as simplified shapes, and the capability and signal friends surrounded by the devices.