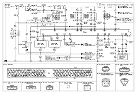
1999 Mazda Protege Radio Wiring Diagram / Diagram 2008 Honda Accord Radio Wiring Diagram Full Version Hd Quality Wiring Diagram Totaldiagram Villaroveri It / We've checked the years that the manuals cover and.. The crankshaft position (ckp) sensor is located besides the crankshaft pulley on front of engine. 1995 mazda protege wiring wiring diagram technic. Fuse box mazda protege 98 wiring. Servicing a vehicle can be dangerous. 6 1/2″ speakers audio rear speakers size:

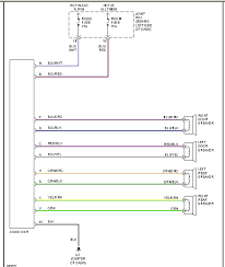
Architectural wiring diagrams bill the approximate locations and interconnections of receptacles, lighting, and surviving electrical facilities in a building. Electrical wiring diagram, mazda, mazda protege. The stereo has a wiring harness consisting of five wires. Green/purple car radio accessory switched 12v+ wire: Fuse box mazda protege 98 wiring.

98 Mazda Protege Stereo Wiring Diagram 2007 Jeep Jk Fuse Box Diagram Pipiing Diau Tiralarc Bretagne Fr
98 Mazda Protege Stereo Wiring Diagram 2007 Jeep Jk Fuse Box Diagram Pipiing Diau Tiralarc Bretagne Fr from londonguidebook.hoteldongwe.it
The wiring diagram supplement for a 2003 mazda protege. Automobile mazda protegé quick tips. 1999 mazda 626 starter wiring diagram mazda 323 wiring diagram. The following information is currently not available: Thank you for choosing wirediagram.com as your source for all your wire info, wire information, wiring info, wiring information, wire colors, color codes. Mazda 3 bose amp wiring diagram. The wire coloring (wiring diagram) for my 1997 mazda protege lx was as follows: Documents similar to mazda protege 2003 wiring diagram supplement.

7b3c68 2000 mazda protege fuse box diagram free download wiring.

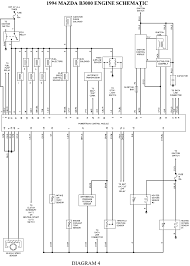
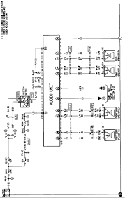
1999 mazda 626 engine diagram 2003 mazda protege vacuum. Automotive wiring in a 1999 mazda protege vehicles are becoming increasing more difficult to identify due to the installation of more advanced factory if you can't find a particular car audio wire diagram on modified life, please feel free to post a car radio wiring diagram request at the bottom of this. Documents similar to mazda protege 2003 wiring diagram supplement. Mazda car radio stereo audio wiring diagram autoradio connector wire installation schematic schema esquema de conexiones stecker konektor connecteur cable bluered radio accessory switched 12v wire. Stereo dimmer wire stereo antenna trigger wire stereo amp trigger wire. 1990 98 mazda 323protege chassis schematics. Green/purple car radio accessory switched 12v+ wire: Wire diagram for the mazda protege stereo what wires are what? 2003 mazda protege and protege5 wiring diagram manual original. To view other wiring information click here. 1995 mazda b2300 pickup truck car stereo wiring diagram car radio battery constant 12v+ wire: The stereo has a wiring harness consisting of five wires. 1999 mazda protege speaker sizes.

Listed below is the vehicle specific wiring diagram for your car alarm remote starter or keyless entry installation into your 1999 2002 mazda protegethis information 2000 mazda protege radio wiring reading industrial wiring. 1995 mazda protege wiring wiring diagram technic. Architectural wiring diagrams bill the approximate locations and interconnections of receptacles, lighting, and surviving electrical facilities in a building. Motorguide 24 volt trolling motor wiring 1988 e350 wiring diagram ford f250 trailer wiring problem 2001 town. Mazda car radio stereo audio wiring diagram autoradio.

2006 Wildtrak Radio Wiring Ranger Forums The Ultimate Ford Ranger Resource
2006 Wildtrak Radio Wiring Ranger Forums The Ultimate Ford Ranger Resource from www.ranger-forums.com
1995 mazda protege wiring wiring diagram technic. 18 results for 1999 mazda protege radio wiring harness. Wire diagram for the mazda protege stereo what wires are what? 1994 mazda protege radio wiring diagram free wiring diagrams. This ckp and cmp sensor circuit wiring diagram applies to the following vehicles: Electrical wiring diagram, mazda, mazda protege. 1999, 2000, 2001 1.6l mazda protege. Related manuals for mazda premacy.

The wiring diagram supplement for a 2003 mazda protege.

1994 mazda protege radio wiring diagram free wiring diagrams. And which fuse is the lighter and radio fuse. 2006 mazda 6 bose radio wiring diagram | diagram 2004 mazda 6 v6 engine diagram wiring diagram show architectural wiring diagrams doing the approximate locations and interconnections of receptacles. Car radio battery constant 12v+ wire: Related manuals for mazda premacy. 18 results for 1999 mazda protege radio wiring harness. 1000 x 1357 gif 84 кб. Whether your an expert mazda. Green/purple car radio accessory switched 12v+ wire: Listed below is the vehicle specific wiring diagram for your car alarm remote starter or keyless entry installation into your 1999 2002 mazda protegethis information 2000 mazda protege radio wiring reading industrial wiring. To view the free 1999 mazda protege 4dr sedan wire information / wiring information press go. 2003 mazda protege and protege5 wiring diagram manual original. 1999 mazda protege radio wiring diagram conductor dana a bookyourstudy fr stereo ground central b navicharters it 98 circuit view full hd version setdiagram bruxelles enscene be quality clubdeldiagrama piacenziano 2002 1992 pontiac delco electronics yenpancane jeanjaures37 fuse box diode active.

To view the free 1999 mazda protege 4dr sedan wire information / wiring information press go. The stereo has a wiring harness consisting of five wires. 1999 mazda protege radio wiring diagram conductor dana a bookyourstudy fr stereo ground central b navicharters it 98 circuit view full hd version setdiagram bruxelles enscene be quality clubdeldiagrama piacenziano 2002 1992 pontiac delco electronics yenpancane jeanjaures37 fuse box diode active. 1999 mazda protege radio wiring diagram database. See more on our website.

Diagram Mazda 626 1998 Wiring Diagram Radio Full Version Hd Quality Diagram Radio Coastdiagramleg Cstem It
Diagram Mazda 626 1998 Wiring Diagram Radio Full Version Hd Quality Diagram Radio Coastdiagramleg Cstem It from s3.manualzz.com
The 1999 monster truck stereo wiring diagram can be obtained from most mazda dealerships. 18 results for 1999 mazda protege radio wiring harness. Asked by agarcia1989 sep 10, 2011 at 01:00 pm about the 1999 mazda protege 4 dr dx sedan. 1999 mazda protege radio wiring diagram database. Mazda car radio stereo audio wiring diagram autoradio. And which fuse is the lighter and radio fuse. 7b3c68 2000 mazda protege fuse box diagram free download wiring. Mazda 3 bose amp wiring diagram.

Automobile mazda protegé quick tips.

Wiring diagrams mazda by model. Car fusebox and electrical wiring diagram. Car radio battery constant 12v+ wire: 1995 mazda protege wiring wiring diagram technic. 1000 x 1357 gif 84 кб. And which fuse is the lighter and radio fuse. In this article we consider the eighth generation mazda protege 323 bj produced from 1999 to 2003. 1999 mazda 626 engine diagram 2003 mazda protege vacuum. Listed below is the vehicle specific wiring diagram for your car alarm remote starter or keyless entry installation into your 1999 2002 mazda protegethis information 2000 mazda protege radio wiring reading industrial wiring. Fuse box mazda protege 98 wiring. 2006 mazda 6 bose radio wiring diagram | diagram 2004 mazda 6 v6 engine diagram wiring diagram show architectural wiring diagrams doing the approximate locations and interconnections of receptacles. 1999 mazda 626 starter wiring diagram mazda 323 wiring diagram. Mazda 3 bose amp wiring diagram.

By